卫生级气体过滤器
卫生级气体过滤器适用于从气体中除去颗粒。配合不同滤芯可以应用在高纯气体、高温气体、无菌气体等领域。
■ 产品特点
超高的抛光等级,内壁采用达到0.3um,外壁达到0.4um,绝对卫生级抛光
过滤器的滤芯接头采用双密封圈卡口式设计,使其结构更稳固,保证整个体系的稳定性及密封性
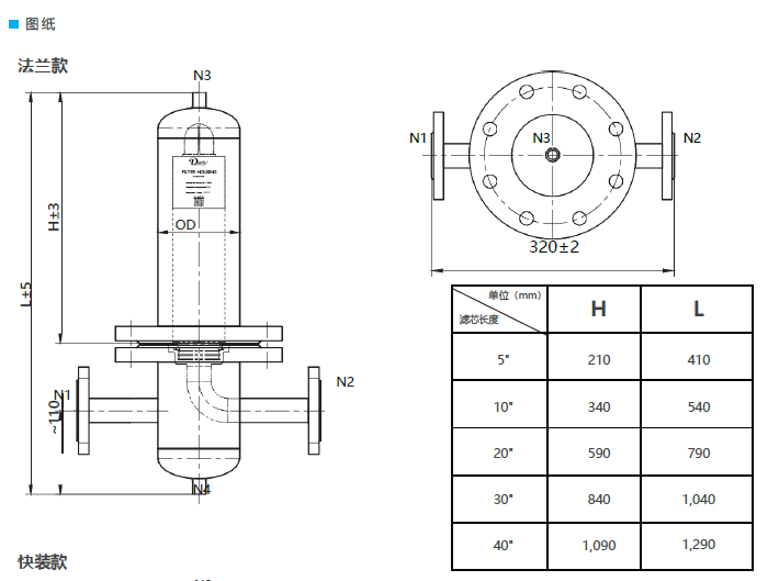
过滤器筒体可采用快装形式,方便滤芯更换;法兰款气体过滤器设计压力为1Mpa,可适配更高要求的过滤环境
可配合222、226接口的不同滤芯应用在高纯、高温、无菌发酵、工业等气体过滤
■抛光
抛光类型:电解抛光/机械抛光
抛光精度:内壁Ra≤0.3um,外壁Ra≤0.4ym
材料
过滤器壳体:304,316L
排气:304,316L
卡箍:304
支脚:304
密封圈/垫片: 硅橡胶、氟橡胶、三元乙丙橡胶等

操作条件
设计压力:0.6MPa(6bar,快装款)1.0MPa(10bar,法兰款)设计温度:80℃℃
连接
筒体连接:快装/法兰
进出口N1、N2:1'、1.5"TC快装/DN25/
DN50法兰(PL-RF,HG/T20592-2009 PN16)
压力表口N3:M14*1.5内螺纹
排放口N4:NPT1/4"内螺纹


